READ THIS IMPORTANT ANNOUNCEMENT
ABOUT FUTURE OF NO OUTAGE.COM LLC

Page last updated Jun 3, 2024 @ 04:46pm

300134-1 300134-2

wp-InletKit175Aopen.jpg (25472 bytes) wp-InletKit175Arear.jpg (18763 bytes) wp-InletKit175Aclosed.jpg (16222 bytes) RSC121208cutout.jpg (27399 bytes) RSC121208mounting.jpg (27912 bytes) RSC121208frontopen.jpg (29650 bytes) RSC121208frontclosed.jpg (27165 bytes)
front with hinged cover open and plug disconnected rear with wiring connected front with cover closed and warning decal enclosure after holes added rear view after inlet installed front view with hinged cover open front view with cover closed

click on thumbnail image above to enlarge

High Capacity Power Inlet Kit
175A or 350A Modular
with mating plug and optional enclosure

This unique kit provides a simple way to add a high capacity power inlet to many transfer switches or junction boxes.  Perfect for pto generators larger than about 15kW (or any large generator) where a temporary removable connection is needed.  Allows generator cable to quickly plug into switch enclosure or junction box enclosure rather than hard wiring to terminal lugs inside.  Easily unplugged using the heavy duty handle included with plug.

Kit includes 4 pole modular connector housing, 4 conducting tips, reducing sleeves, mounting brackets and panel, hinged cover and mating plug for end of generator cable.  Everything is provided with kit except for welding cable, (4) 1/4-20 screws to mount panel, and plug for generator end of cable.  That plug is usually provided with the generator.  The tips are designed for use with extra-flexible welding cable and can be crimped and/or soldered.  Install in switch side wall by rough-cutting a rectangular hole and drilling four holes for mounting screws to hold panel on outside of enclosure.  Note that if panel is too large to fit on side of switch the panel can be discarded if the rectangular hole is cut exactly to match the panel.  If you do not want to mount on switch enclosure, or the switch is not close to where you want to operate the generator then purchase our optional outdoor enclosure below and you can locate the inlet anywhere.

Detailed instructions provided that explain assembly and how to properly make the cross-over cable to connect to the high capacity modular outlet on most pto generators to this inlet.  Available in two sizes: 175 amp max and 350 amp max.  Note that actual ampacity depends on wire size used.  For additional details see connector brochures for 175A or 350A.  Made in USA  

 

Kit Specs

Maximum Capacity * + 175 amps 350 amps
Voltage Rating * 600V 600V
Manufacturer's Brochure SB175 SB350
Approved Crimping Tools
(brazing/soldering wire connections also an option)

          1. Anderson Power Products #1368 Series
          2. ETC Model HHS hydraulic crimper
          3. ITT Blackburn #1640
          4. T&B (Thomas & Betts) #TBM5

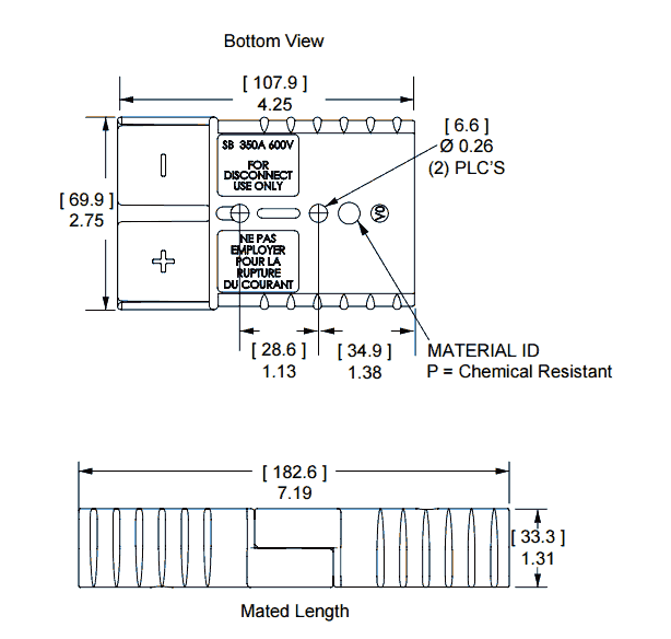
Connector Housing Dimensions SB175dims.gif (17678 bytes) SB350dims.gif (16869 bytes)
Mounting Panel Size (outside) § 6.50" W x 6.25" H 6.50" W x 6.25" H
Space required for mounting without panel 3" W x 5" H x 4" D 3" W x 5" H x 4" D
Approx. Rectangular Cutout Size Required 3" W x 5" H (with panel)
2.37"W x 4.25"H (without panel)
3" W x 5" H (with panel)
2.37"W x 4.25"H (without panel)
* UL Rated for 65C rated wire or cable size.  Actual ampacity may be less depending on application.
   Connectors are CSA Approved and UL Recognized.
+ Not designed for breaking under load
§ Inlet and cover can be mounted directly in smaller space by discarding mounting panel.

 

Allowable Ampacities
Maximum copper conductor temperature 60°C.
Based on 2017 NEC Table 310.15(B)(17) (formerly Table 310.17)
Allowable Ampacities of Single-Insulated Conductors
Rated Up to and Including 2000 Volts in Free Air,
Based on Ambient Temperature of 30°C (86°F)

Conductor Size
AWG or MCM
Approximate
Ampacity
Equivalent Generator Ratings (kVA)
120/240V 1phase 120/208V 3phase 240V
3phase
277/480V 3phase
4 105 25 37 43 87
2 140 33 50 58 116
1 165 39 59 68 137
inlet rating 175 42 63 72 145
1/0 195 46 70 81 162
2/0 225 54 81 93 187
3/0 260 62 93 108 216
4/0 300 72 108 124 249
250 340 81 122 141 282
inlet rating 350 84 126 145 290
300 375 90 135 155 311

 

Customers who purchased this product also ordered:
(click underlined words to see product pages)
Welding Cable WE02 or WE40

Pick options using dropdown menus before pressing button.
We use the generator rating info to verify kit and wire size selected.

Inlet kit 175A:   Optional enclosure if inlet cannot be mounted on switch





Item Number: 300134-1
Price: $399
Price last updated 7/21/2025
Shipping Weight: 4 lbs.
This item normally ships in approximately 1 week or less.
 

This item no longer sold. See Announcement at top of page.
Inlet kit 350A:    





Item Number: 300134-2
Price: $472
Price last updated 7/21/2025
Shipping Weight: 5 lbs.
This item normally ships in approximately 1 week or less.
   


 

Are YOU ready for the next power outage?

 1 Videos
 2 Outage Archives
 3 Utility Industry
 4 Why You Need Backup
 5 Personal Stories
 6 NoOutage Configurations
 7 Safety
 8 Sizing for Your Needs
 9 Voltage Drop Calculator
10 Test Reports
11 Placing Order
12 Equipment Leasing
13 Books & Videos  
14 Financing
15 Frequently Asked
16 Future Technologies
17 Electricity Glossary
18 Help with Plug Types
19 Who We Are
20 Why Buy Here
21 Our Customers
22 Pick a Contractor
23 Privacy Promise
24 Safe Shopping Guarantee
25 Terms & Conditions
26 What's New
27 Contacting Us
28 Parts Lookup
29 Parts & Service
30 Made in USA
31 Links

We welcome your feedback or questions.  Click here to contact us.
See our Terms & Conditions before using information or ordering from this web site.
Copyright © 1999-2025 NoOutage.com LLC. A Virginia LLC. All rights reserved.