Page last updated Oct 20, 2021 @ 10:08pm
ZTX10MX60
DISCONTINUED AND REPLACED
WITH ABB ZTX
![]()
Click thumbnail image above to enlarge
(200A indoor model shown, battery charger shown is not included and must be
ordered separately)
Automatic Transfer Switch
100 amp, 120/240V, 1-phase
with generator exerciser
The GE Zenith ZTX Automatic Transfer Switch complements remote start generator sets allowing the standby power system to be fully automatic. A full range or ratings are available from 40 amps to 400 amp with indoor and outdoor enclosures. Made in USA
![]()
Application Flexibility
The ZTX Automatic Transfer Switch combines reliability and flexibility in a small, economical package for transferring loads between the utility and generator sets. The XTX Transfer Switches work together with any remote-start generators using two-wire control. The control monitors utility and emergency standby power generator set power. When utility power fails or is unsatisfactory, the control starts the generator set and transfers the load to the generator set. The transfer panel immediately senses when utility power is restored. It automatically transfers back to utility power, shutting down the generator and instantly resetting itself for the next power interruption. No action is required by site staff.Enclosures
The transfer panel and control are mounted in a single door NEMA 1 (indoor) or 3R (outdoor) enclosure.Positive Interlocking
Mechanical contactor interlocking prevents simultaneous closing of normal and emergency contacts. Independent break-before-make action positively prevents dangerous source-to-source connections.Microprocessor Control
Reliable, microprocessor based control system with undervoltage monitoring of the utility and voltage and frequency sensing of the generator, standard time delays. This switch comes standard with GE Zenith's MX60 control panel (supersedes the R-M4 control panel). This controller provides timing functions, voltage & frequency sensing, exerciser and operates the external membrane keypad/indications.Agency Approvals
Complies with NEMA ICS 10
Conforms to applicable requirements for NFPA 70, 99 and 110
Listed to UL 1008, CSA, IEC listed to 240 VAC 50/60 Hz
Specs
| Switch Current Rating | 100 amps, 2 pole (3rd pole optional) |
| Voltage Rating | 120/240V, 1 phase (3 phase optional) |
| Operating Temperature | -4F to +149F |
| Operating Humidity | 95% relative humidity, non-condensing |
| ZTX Standard Accessories
Group - MSTD (see note 1) |
(CD/P) Exerciser Timer (L1) LED Source 2 (Emergency) position indication (L2) LED Source 1 (Normal) position indication (L3) LED Source 1 (Normal) source availability indication (L4) LED Source 2 (or Emergency) source availability indication (P1) Engine start timer P1 – 3 seconds fixed (T) Retransfer to Source 1 (normal) time delay – 5 minutes fixed (U) Engine stop/cool cool down timer – 1 minute fixed (W) Transfer to Source 2 (Emergency) time delay – 15 seconds fixed (6/P) Microprocessor activated Test Switch - Momentary undervoltage sensing of utility source: pickup 90% of nominal dropout 80% of nominal voltage & frequency sensing of generator: 90% voltage pickup 95% frequency pickup |
| Exerciser Clock | electronic design, field adjustable for 7, 14, 21 or 28 day exercising with or without load transfer |
| Battery Charger | not included (order separately if required) |
| UL Withstand & Closing Ratings | 200,000 amps when used with properly rated fuse 30,000 amps when used with properly rated circuit breakers |
| Lug Capacities | 3/0 to #8 AWG per pole |
| Nominal Dimensions (H x W x D) | 18" x 18" x 8" (not for construction, special options may increase size) |
| Weight | 43 lbs. |
| Warranty | 1 year limited, no extended warranty available |
| Some of the popular model/types
that can be ordered at the bottom of this page (2 pole, NEMA 1 or 3R, 120/240V 1 phase, 3 W, 60Hz) |
Current Numbering Scheme: ZTX000M60010B-ZEC01ZVC20M060 ZTX000M60010B-ZEC3RZVC20M060 Former Numbering Scheme: ZTX10MX60BC02 ZTX10MX60BS02 |
NOTES:
1) The start time delay prevents nuisance generator starts during momentary utility power variations; transfer time delay allows generator set to stabilize before load is applied; retransfer delay prevents needless power interruption if return of utility power is momentary; stop delay allows gradual generator set cool down; undervoltage sensing of utility supply provides reliable starting of generator set during brownout conditions.
2) This switch is not service entrance rated. This generally means that you need a service entrance rated device between this switch and your utility meter.
3) The standard ZTX contactor comes with 2 power poles to switch the two hot leads of a 120/240V system. It does NOT switch the neutral, which is acceptable in most areas of the USA. See article 250.20 of the 2002 NEC. If there are special requirements in your area that require switching the neutral (as dictated by local codes or electrical inspectors) you must use the ZTG type transfer switch.
4) Two single pole double throw auxiliary switches (1 on the utility and 1 on the emergency contactor) are available as an option. These are useful for remote indication of the switch position or to turn off loads that should not run when on generator power (such as large heat pumps or central air conditioners). To order use the drop-down menu below.
5) CAUTION FOR OLD DESIGN SWITCHES - Use care when removing the front cover of this panel. Loosen but do not remove the four cover screws. Lift cover off the four screws and hang it on two screws (2 bottom or 2 right-hand). This will prevent damage to the cable that connects to the keypad on the back of the cover. This type of damage is not covered under the warranty. This caution does not apply to new switches that have keypad mounted inside on bracket and operable through cutout in cover.
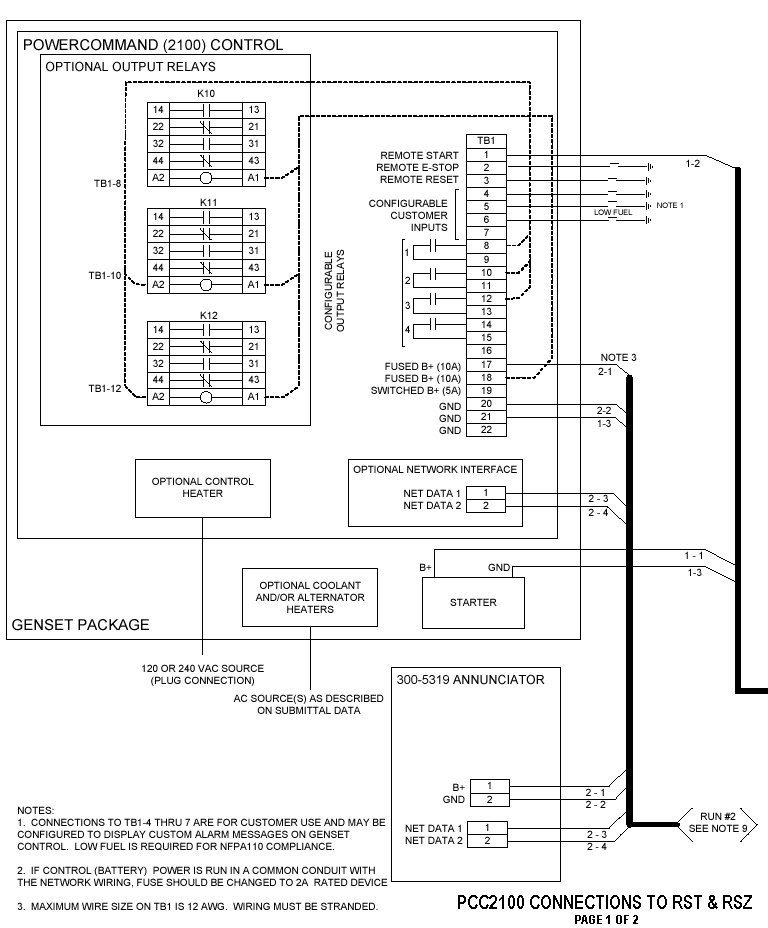
6) WIRING - This switch provides a single isolated contact for controlling the genset. The contact closes when the genset is to start and run. Click here for sample interconnection diagrams to Cummins gensets or click here for connections (sh 1 & sh 2) to Cummins PCC2100 gensets.
Customers who purchased this product also ordered:
(click underlined words to see product pages)Battery charger BATTEND022 or the factory wired and installed charger below.
Replacement Parts for GE Zenith switches.

Select options using drop-down menus. Price adders for extra options will be automatically included in price shown by shopping cart.
Are YOU ready for the next power outage?
We welcome your feedback or questions. Click here to contact us.
See our Terms & Conditions before using information or
ordering from this web site.
Copyright © 1999-2025 NoOutage.com LLC. A Virginia LLC. All rights reserved.